รหัสสินค้า : NANA-291508
ชื่อสินค้า : V2 Block for Ultrasonic test
แบรนด์ : Olympus
โค๊ดสินค้า : V2 Calibration Blocks
โมเดล : V2 Calibration Blocks
ผลิตที่ : USA.
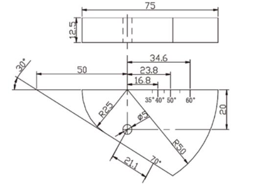
ขนาด : 75 x 12.5 mm
น้ำหนัก : 30 g
ผลิตจาก : Carbon steel
สั่งซื้อขั้นต่ำ : 1ชิ้น
เวลาการจัดส่ง : 20 – 45 วัน
การขนส่ง : ขนส่งโดยผู้จำหน่าย
ราคา : 9500 บาท
รายละเอียด:
Ultrasonic Calibration Test Block 12.5mm 1.5mm Hole 1018 Steel
โทร : 090-9838475
